Taa ya Trafiki ya Mwekundu/Njano/Kijani yenye Flux ya Juu
Soma zaidi
Utangulizi wa Bidhaa:
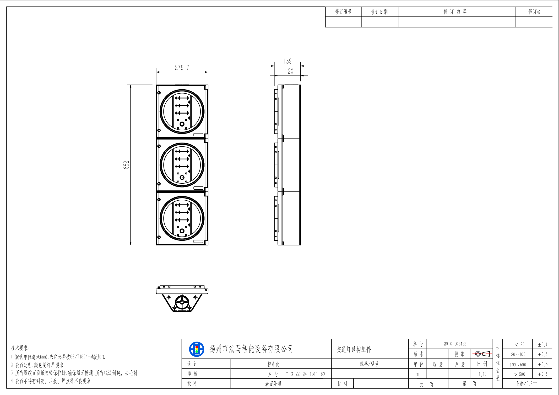
Taa ya Trafiki ya Mpira Kamili ya Flux Nyekundu/Njano/Kijani yenye Mpira Mzito ni mkusanyiko wa vitengo vitatu. Kiini cha taa kina chanzo kikubwa cha mwanga, lenzi za macho zenye safu tatu, kitengo cha usambazaji wa umeme, bakuli la taa, na moduli ya nje ya uondoaji wa joto, miongoni mwa vipengele vingine vya kimuundo. Utaratibu wa macho hufanya kazi kupitia usindikaji wa macho wa safu tatu ili kuongeza ufanisi wa kung'aa, kusambaza, na kulenga upya mwanga wa nukta unaotolewa kutoka kwa chanzo cha mwanga, na hivyo kutoa mwanga wa uso unaofanana. Inatumika kwa anuwai ya makutano ya udhibiti wa ishara za trafiki.
| Mfano wa Bidhaa | JD100-3-FM35 | JD200-3-FM35 | JD300-3-FM35 |
| Ukubwa wa Uso Unaotoa Mwangaza (LES) | 100mm | 200mm | 300mm |
| Nyenzo ya Nyumba | Nyumba ya polycarbonate | Nyumba ya polycarbonate | Nyumba ya polycarbonate |
| Rangi ya Barakoa | Rangi | Rangi | Rangi |
| Umbo la Barakoa | Umbo la tao | Umbo la tao | Umbo la tao |
| Volti ya Uendeshaji / Masafa | AC85~264V/47-63Hz | AC85~264V/47-63Hz | AC85~264V/47-63Hz |
| Kiasi cha LED | R/Y/G: vipande 1 | R/Y/G: vipande 3 | R/Y/G: vipande 4 |
| Matumizi ya Nguvu ya Taa | Mpira mwekundu kamili ≤ 3 W Mpira wa njano kamili ≤ 3 W Mpira wa kijani kamili ≤ 3 W | Mpira mwekundu kamili ≤ 8 W Mpira wa njano kamili ≤ 10 W Mpira wa kijani kamili ≤ 12 W | Mpira mwekundu kamili ≤ 10 W Mpira wa njano kamili ≤ 13 W Mpira wa kijani kamili ≤ 15 W |
| Nguvu ya Mwangaza | CD 110~CD 200 | 230cd~350cd | CD 400~CD 1000 |
| Urefu wa Mawimbi ya LED | Nyekundu: 616 - 628 nm Njano: 589 - 592 nm Kijani: 500 - 510 nm | Nyekundu: 616 - 628 nm Njano: 589 - 592 nm Kijani: 500 - 510 nm | Nyekundu: 616 - 628 nm Njano: 589 - 592 nm Kijani: 500 - 510 nm |
| Muda wa Maisha wa LED | Saa ≥100,000 | Saa ≥100,000 | Saa ≥100,000 |
| Upinzani wa Insulation | >2MΩ | >2MΩ | |
| Joto la Uendeshaji | -40℃ hadi +80℃ | -40℃ hadi +80℃ | -40℃ hadi +80℃ |
| Unyevu Kiasi | ≤97%RH | ≤97%RH | ≤97%RH |
| Daraja la Ulinzi | IP55 | IP55 | IP55 |
| Umbali wa Kuonekana | ≥300m | ≥300m | ≥300m |
| Vipimo vya Ufungashaji | Kipande 1 kwa kila kisanduku, Ukubwa: 48 × 17 × 19 cm, Uzito: 3.1 ± 0.5 KG | Kipande 1 kwa kila kisanduku, Ukubwa: 95 × 29 × 23 cm, Uzito: 7.9 ± 0.5 KG | Kipande 1 kwa kila kisanduku, Ukubwa: 112 × 39 × 28 cm, Uzito: 13.5 ± 0.5 KG |


